API src

Grundwassermessstelle APP_GWMN_195

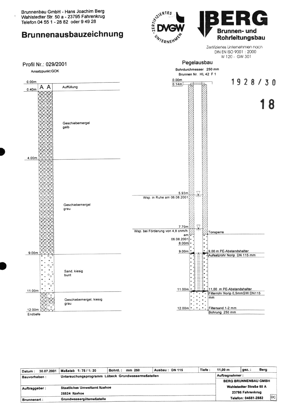
Description: Dieser Datensatz beschreibt die Grundwassermessstelle APP_GWMN_195 in Schleswig-Holstein. Die Messstelle liegt im Grundwasserkörper ST15 : Trave - Nordwest. Es liegen insgesamt 45216 Messwerte vor. Es liegen außerdem 7 Probenentnahmen vor (siehe Resourcen).

Types:
DataMeasurements(
    DataMeasurements {
        domain: Chemistry,
        station: Some(
            Station {
                id: Some(
                    "APP_GWMN_195",
                ),
                measurement_frequency: None,
                reporting_obligations: [
                    Wrrl,
                ],
            },
        ),
        measured_variables: [
            "Absorptionskoeffizient 254 nm",
            "Absorptionskoeffizient 436 nm",
            "Alachlor",
            "Aluminium",
            "filtriert",
            "Ametryn",
            "Ammonium",
            "Arsen",
            "Atrazin",
            "Azinphos-ethyl",
            "Azinphos-methyl",
            "2",
            "Bentazon",
            "Blei",
            "Bor",
            "Bromacil",
            "Bromoxynil",
            "Cadmium",
            "Calcium",
            "Carbetamid",
            "Chlorfenvinphos",
            "Chlorid",
            "Chloridazon",
            "Chlorpyrifos-ethyl",
            "Chlortoluron",
            "Chrom",
            "Clopyralid",
            "Cyanazin",
            "Desethylatrazin",
            "Desethylterbuthylazin",
            "Desisopropylatrazin",
            "Diazinon",
            "Dicamba",
            "Dichlormethan",
            "Diflufenican",
            "Dimefuron",
            "Dimethoat",
            "Diuron",
            "DOC",
            "Eisen",
            "Ethofumesat",
            "Fenuron",
            "Gesamthärte",
            "Grundwasserspiegel in Ruhe",
            "Hexazinon",
            "Ioxynil",
            "Isoproturon",
            "Kalium",
            "frei",
            "Kupfer",
            "Leitfähigkeit bei 25°C (Labor)",
            "Linuron",
            "Magnesium",
            "Mangan",
            "MCPA",
            "Mecoprop",
            "Metalaxyl",
            "Metamitron",
            "Metazachlor",
            "Methabenzthiazuron",
            "Metobromuron",
            "Metolachlor",
            "Metribuzin",
            "Monolinuron",
            "Napropamid",
            "Natrium",
            "Nichtkarbonathärte",
            "Nickel",
            "Nitrat",
            "Nitrat vor Denitrifikation (N2/Ar)",
            "Nitrit",
            "o-Phosphat",
            "Oxadixyl",
            "Pendimethalin",
            "pH-Wert (Labor)",
            "Pirimicarb",
            "Prometryn",
            "Propazin",
            "Propyzamid",
            "Prosulfocarb",
            "Quecksilber",
            "Sauerstoff",
            "3",
            "Silicium",
            "Simazin",
            "gesamt",
            "Sulfat",
            "Terbuthylazin",
            "Terbutryn",
            "Tetrachlorethen",
            "Trichlorethen",
            "Trichlormethan",
            "Triclopyr",
            "Wassertemperatur",
            "Zink",
            "1-Trichlorethan",
            "4-D",
            "4-DP",
            "5-T",
        ],
        methods: [],
    },
)
DataMeasurements(
    DataMeasurements {
        domain: Water(
            Groundwater,
        ),
        station: Some(
            Station {
                id: Some(
                    "APP_GWMN_195",
                ),
                measurement_frequency: None,
                reporting_obligations: [
                    Wrrl,
                ],
            },
        ),
        measured_variables: [
            "Wasserstand",
        ],
        methods: [],
    },
)

Origins: /Land/Schleswig-Holstein/Umweltportal

Tags: Mecoprop ? Denitrifikation ? Kaliumchlorid ? Kaliumsulfat ? Aluminiumchlorid ? Aluminiumnitrat ? Aluminiumsulfat ? Ammoniumchlorid ? Ammoniumsulfat ? Chloroform ? Eisenchlorid ? Eisensulfat ? Magnesiumchlorid ? Magnesiumsulfat ? Manganchlorid ? Methylenchlorid ? Tetrachlorethen ? Quecksilberchlorid ? Quecksilbersulfat ? Trichlorethylen ? Zinkchlorid ? Zinknitrat ? Zinksulfat ? Grundwassermessstelle ? Schleswig-Holstein ? Desethylatrazin ? Napropamid ? Alkylphosphat ? Nitrit ? Phosphat ? Cadmiumchlorid ? Cadmiumnitrat ? Cadmiumsulfat ? Blei ? Calcium ? Kupfer ? Nickel ? Bromacil ? Chrom ? Messstation ? Alachlor ? Bor ? Sauerstoff ? Silizium ? Simazin ? Arsen ? Chlorpyrifos ? DCMU ? Isoproturon ? Wassertemperatur ? Atrazin ? Chemie ? Wasserrahmenrichtlinie ? Grundwasserkörper ? Leitfähigkeit ? Grundwasser ? Wasser ? Grundwasserstand ? Wasserhärte ? Probenahme ? Wasserstand ?

Region: Schleswig-Holstein

Bounding boxes: 10.481552738034456° .. 10.481552738034456° x 54.004290997100085° .. 54.004290997100085°

License: dl-by-de/2.0

Language: Deutsch

Organisations

Time ranges: 2002-02-25 - 2025-10-14

Resources

Status

Quality score

Accessed 3 times.