Description: Dieser Datensatz beschreibt die Grundwassermessstelle APP_GWMN_339 in Schleswig-Holstein. Die Messstelle liegt im Grundwasserkörper EL03 : NOK - östl. Hügelland West. Es liegen insgesamt 23449 Messwerte vor. Es liegen außerdem 24 Probenentnahmen vor (siehe Resourcen).
DataMeasurements(
DataMeasurements {
domain: Chemistry,
station: Some(
Station {
id: Some(
"APP_GWMN_339",
),
measurement_frequency: None,
reporting_obligations: [
Wrrl,
],
},
),
measured_variables: [
"2",
"3",
"3-cd)pyren",
"AOX",
"Absorptionskoeffizient 254 nm",
"Absorptionskoeffizient 436 nm",
"Acenaphthen",
"Acenaphthylen",
"Aluminium",
"Ammonium",
"Anthracen",
"Arsen",
"Benzo(a)anthracen",
"Benzo(a)pyren",
"Benzo(b)fluoranthen",
"Benzo(ghi)perylen",
"Benzo(k)fluoranthen",
"Blei",
"Bor",
"Cadmium",
"Calcium",
"Chlorid",
"Chrom",
"Chrysen",
"DOC",
"Eisen",
"Fluoranthen",
"Fluoren",
"Fluorid",
"Gesamthärte",
"Grundwasserspiegel in Ruhe",
"Kalium",
"Kupfer",
"Leitfähigkeit bei 25°C (Labor)",
"Magnesium",
"Mangan",
"Naphthalin",
"Natrium",
"Nichtkarbonathärte",
"Nickel",
"Nitrat",
"Nitrit",
"Phenanthren",
"Pyren",
"Quecksilber",
"Sauerstoff",
"Silikat-Si",
"Sulfat",
"Wassertemperatur",
"Zink",
"filtriert",
"frei",
"gesamt",
"h)anthracen",
"o-Phosphat",
"pH-Wert (Labor)",
],
methods: [],
},
)
DataMeasurements(
DataMeasurements {
domain: Water(
Groundwater,
),
station: Some(
Station {
id: Some(
"APP_GWMN_339",
),
measurement_frequency: None,
reporting_obligations: [
Wrrl,
],
},
),
measured_variables: [
"Wasserstand",
],
methods: [],
},
)
Origins: /Land/Schleswig-Holstein/MEKUN /Land/Schleswig-Holstein/Umweltportal
Tags: Kaliumchlorid ? Kaliumsulfat ? Ammonium ? Calciumfluorid ? Eisenchlorid ? Magnesiumchlorid ? Manganchlorid ? Quecksilberchlorid ? Zinkchlorid ? Zinknitrat ? Grundwassermessstelle ? Schleswig-Holstein ? Aluminium ? Benzanthracen ? Cadmiumchlorid ? Cadmiumnitrat ? Messstation ? Nickel ? Nitrit ? Phosphat ? Chrom ? Blei ? Calcium ? Kupfer ? Chrysen ? Fluoren ? Phenanthren ? Acenaphthylen ? Bor ? Naphthalin ? Sauerstoff ? Wassertemperatur ? Arsen ? AOX-Wert ? Chemie ? Wasserrahmenrichtlinie ? Grundwasserkörper ? Grundwasserstand ? Leitfähigkeit ? Wasserhärte ? Grundwasser ? Wasser ? Hügellandschaft ? Wasserstand ? Probenahme ?
Region: Schleswig-Holstein
Bounding boxes: 9.793617785237652° .. 9.793617785237652° x 54.328128483006026° .. 54.328128483006026°
License: dl-by-de/2.0
Language: Deutsch
Time ranges: 1985-11-04 - 2026-01-27
CSV-Datei der Grundwasserstände
https://umweltanwendungen.schleswig-holstein.de/GrundwasserChemie/ganglinie_download.php?inst_id=10&ortnr=100008351 (CSV)Steckbrief des beprobten Grundwasserkörpers
https://umweltanwendungen.schleswig-holstein.de/db/dbnuis?thema=grundwasserkoerper&wk_nr=EL03 (Webseite)Tabelle der letzten 100 Grundwasserstände
https://umweltanwendungen.schleswig-holstein.de/db/dbnuis?thema=grundwasserstand&ms_nr=10L58026002 (Webseite)Messwerte einzelner Beschaffenheits-Parameter
https://umweltanwendungen.schleswig-holstein.de/db/dbnuis?thema=lgdmsparameter&ms_nr=10L58026002 (Webseite)Übersicht der genommenen Proben
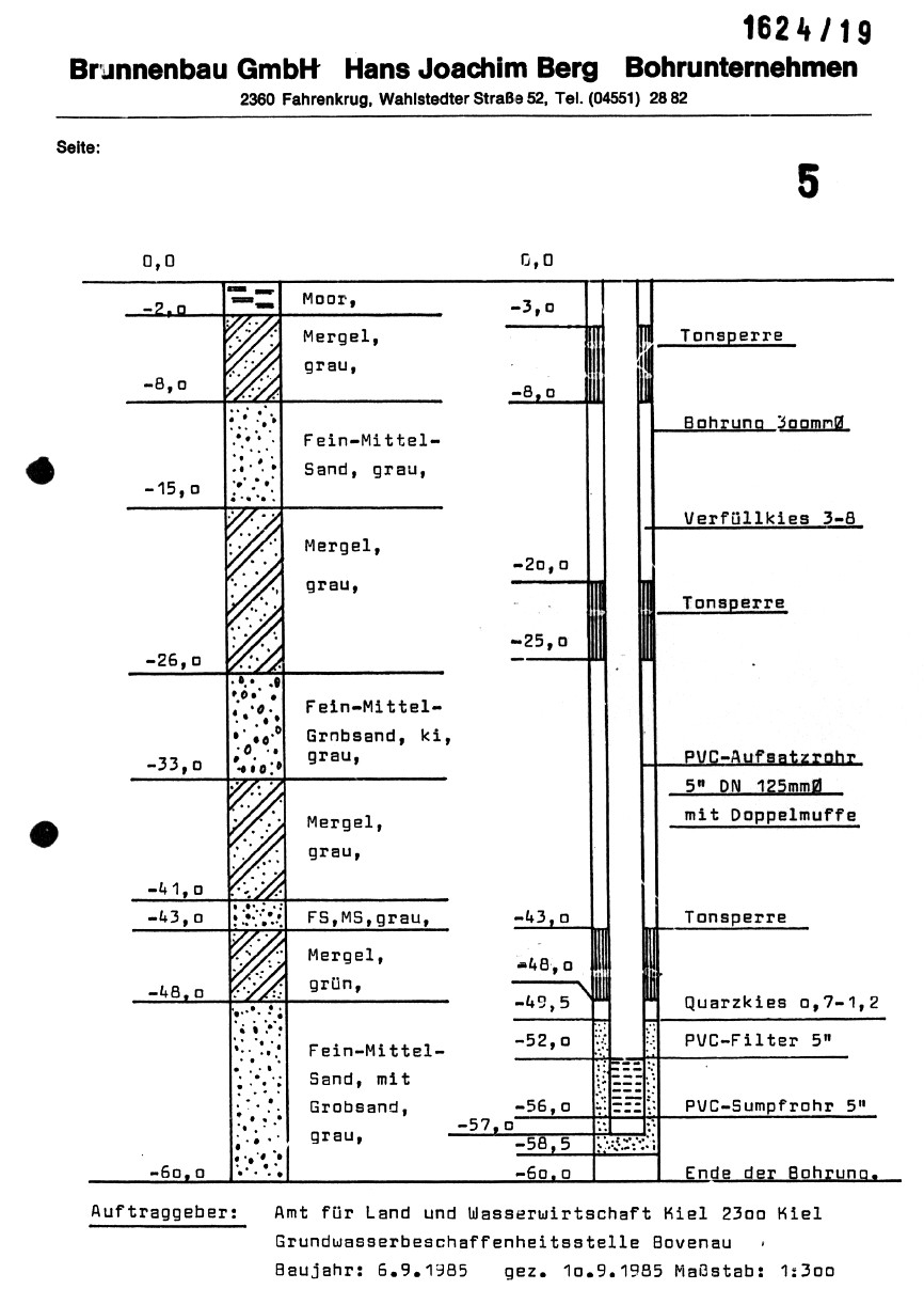
https://umweltanwendungen.schleswig-holstein.de/db/dbnuis?thema=lgdmsproben&ms_nr=10L58026002 (Webseite)Schematische Darstellung der Messstation
https://umweltanwendungen.schleswig-holstein.de/nuis/wafis/gw/AUSBAU/10/AZ6062.JPG (Bild)Bild der Messstation
https://umweltanwendungen.schleswig-holstein.de/nuis/wafis/gw/BILDER/10/GWM6054.JPG (Bild)Ganglinie der Grundwasserstände
https://umweltanwendungen.schleswig-holstein.de/nuis/wafis/gw/ganglinie.php?&inst_id=10&ortnr=100008351 (Webseite)Methodenhandbuch
https://umweltanwendungen.schleswig-holstein.de/nuis/wafis/gw/steckbriefe/Methodenhandb_GW_C4_2.pdf (PDF)Methodenhandbuch
https://umweltanwendungen.schleswig-holstein.de/nuis/wafis/gw/steckbriefe/Methodenhandb_GW_C4_3.pdf (PDF)Methodenhandbuch
https://umweltanwendungen.schleswig-holstein.de/nuis/wafis/gw/steckbriefe/Methodenhandb_GW_D4_2.pdf (PDF)Methodenhandbuch
https://umweltanwendungen.schleswig-holstein.de/nuis/wafis/gw/steckbriefe/Methodenhandb_GW_D4_3.pdf (PDF)Accessed 1 times.