API src

Grundwassermessstelle APP_GWMN_355

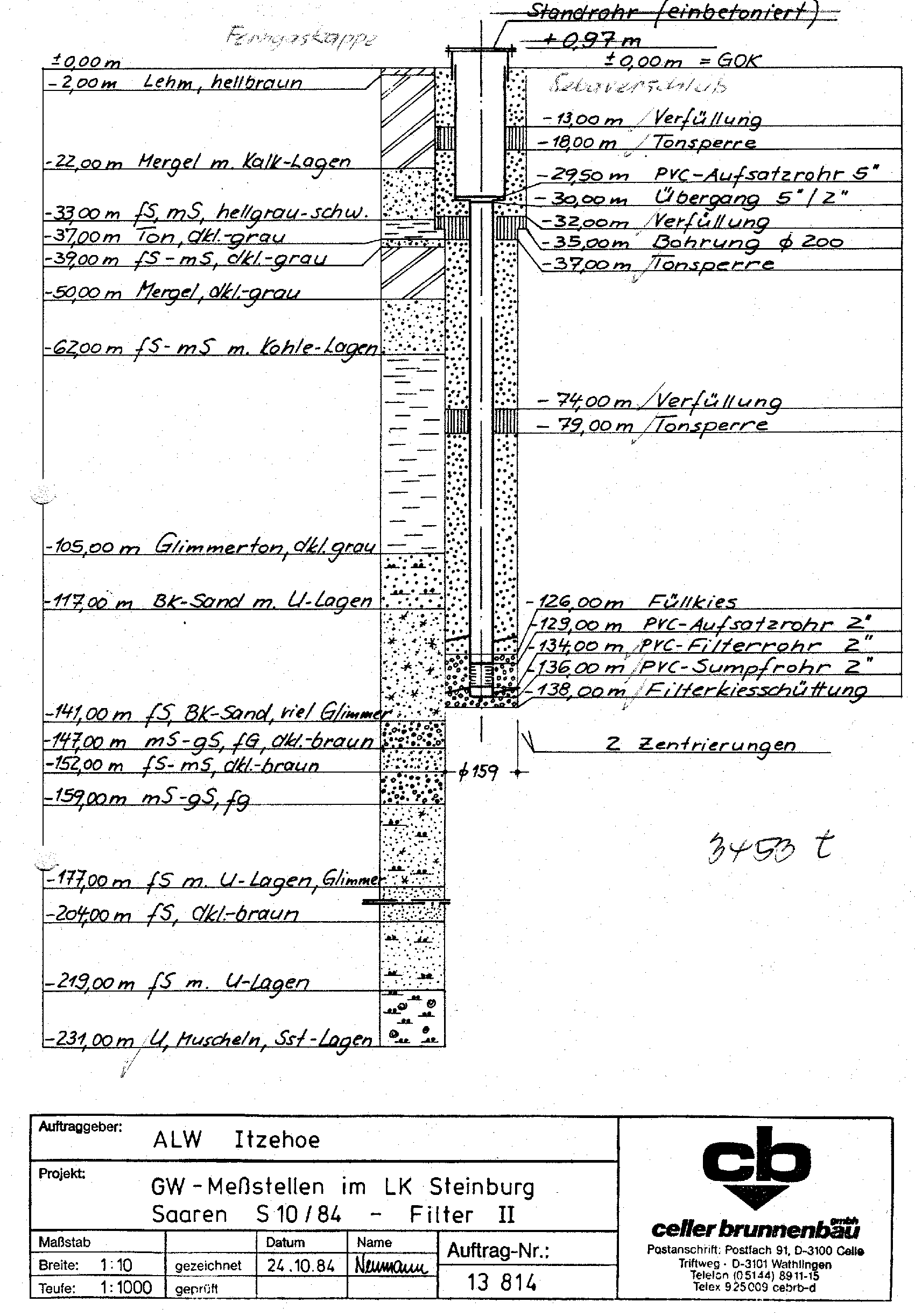
Description: Dieser Datensatz beschreibt die Grundwassermessstelle APP_GWMN_355 in Schleswig-Holstein. Die Messstelle liegt im Grundwasserkörper N7 : Rendsburger Mulde Süd. Es liegen insgesamt 30929 Messwerte vor. Es liegen außerdem 6 Probenentnahmen vor (siehe Resourcen).

Types:
DataMeasurements(
    DataMeasurements {
        domain: Chemistry,
        station: Some(
            Station {
                id: Some(
                    "APP_GWMN_355",
                ),
                measurement_frequency: None,
                reporting_obligations: [
                    Wrrl,
                ],
            },
        ),
        measured_variables: [
            "2",
            "3",
            "4-D",
            "4-DB",
            "4-DP",
            "5-T",
            "Absorptionskoeffizient 254 nm",
            "Absorptionskoeffizient 436 nm",
            "Alachlor",
            "Aldicarb",
            "Aluminium",
            "Ametryn",
            "Ammonium",
            "Anilin",
            "Atrazin",
            "Azinphos-ethyl",
            "Azinphos-methyl",
            "Bentazon",
            "Bor",
            "Bromacil",
            "Bromid",
            "Bromoxynil",
            "Calcium",
            "Carbetamid",
            "Chlorfenvinphos",
            "Chlorid",
            "Chloridazon",
            "Chloroxuron",
            "Chlorpyrifos-ethyl",
            "Chlortoluron",
            "Cyanazin",
            "DOC",
            "Desethylatrazin",
            "Desethylterbuthylazin",
            "Desisopropylatrazin",
            "Desmetryn",
            "Diazinon",
            "Dichlorvos",
            "Diflufenican",
            "Dimefuron",
            "Dimethoat",
            "Disulfoton",
            "Diuron",
            "Eisen",
            "Entnahmetiefe",
            "Ethofumesat",
            "Fenoprop",
            "Fenthion",
            "Fenuron",
            "Gelöster gebund.Kohlenstoff (TOC)",
            "Gesamthärte",
            "Grundwasserspiegel in Ruhe",
            "Hexazinon",
            "Isoproturon",
            "Kalium",
            "Labortemperatur bei Messung",
            "Leitfähigkeit bei 25°C (Labor)",
            "Linuron",
            "MCPA",
            "MCPB",
            "Magnesium",
            "Malathion",
            "Mangan",
            "Mecoprop",
            "Metalaxyl",
            "Metamitron",
            "Metazachlor",
            "Methabenzthiazuron",
            "Metobromuron",
            "Metolachlor",
            "Metoxuron",
            "Metribuzin",
            "Monolinuron",
            "Monuron",
            "Napropamid",
            "Natrium",
            "Nichtkarbonathärte",
            "Nitrat",
            "Nitrit",
            "Oxadixyl",
            "Pendimethalin",
            "Pentachlorphenol",
            "Permanganat-Index",
            "Pirimicarb",
            "Prometryn",
            "Propazin",
            "Propyzamid",
            "Prosulfocarb",
            "Sauerstoff",
            "Sebuthylazin",
            "Silikat-Si",
            "Simazin",
            "Sohltiefe",
            "Sulfat",
            "Terbuthylazin",
            "Terbutryn",
            "Trichlorphon",
            "Triclopyr",
            "Wassertemperatur",
            "filtriert",
            "gesamt",
            "o-Phosphat",
            "pH-Wert (Labor)",
        ],
        methods: [],
    },
)
DataMeasurements(
    DataMeasurements {
        domain: Water(
            Groundwater,
        ),
        station: Some(
            Station {
                id: Some(
                    "APP_GWMN_355",
                ),
                measurement_frequency: None,
                reporting_obligations: [
                    Wrrl,
                ],
            },
        ),
        measured_variables: [
            "Wasserstand",
        ],
        methods: [],
    },
)

Tags: Mecoprop ? Anilin ? Kaliumchlorid ? Kaliumsulfat ? Manganchlorid ? Aluminiumnitrat ? Eisenchlorid ? Eisensulfat ? Aluminiumsulfat ? Ammoniumchlorid ? Magnesiumchlorid ? Magnesiumsulfat ? Grundwassermessstelle ? Schleswig-Holstein ? Aluminiumchlorid ? Desethylatrazin ? Ammoniumsulfat ? Napropamid ? Bromid ? Alkylphosphat ? Messstation ? Nitrit ? Phosphat ? Calcium ? Bromacil ? Alachlor ? Simazin ? Wassertemperatur ? Atrazin ? Chlorpyrifos ? DCMU ? Isoproturon ? Bor ? Pentachlorphenol ? Sauerstoff ? Wasserrahmenrichtlinie ? Chemie ? Wasserhärte ? Grundwasser ? Wasser ? Grundwasserkörper ? Grundwasserstand ? Leitfähigkeit ? Probenahme ? Wasserstandsmessung ?

Region: Schleswig-Holstein

Bounding boxes: 9.473245351083008° .. 9.473245351083008° x 54.00360592385894° .. 54.00360592385894°

License: Deutschlandlizenz Namensnennung 2.0

Language: Deutsch

Organisations

Last harvest: 28.04.2026 23:36

Time ranges: 1984-11-05 - 2026-04-01

Resources

Status

Quality score

Accessed 1 times.