Description: Dieser Datensatz beschreibt die Grundwassermessstelle APP_GWMN_496 in Schleswig-Holstein. Die Messstelle liegt im Grundwasserkörper EI13 : Eider/Treene - östl. Hügelland West. Es liegen insgesamt 54992 Messwerte vor. Es liegen außerdem 51 Probenentnahmen vor (siehe Resourcen).
DataMeasurements(
    DataMeasurements {
        domain: Chemistry,
        station: Some(
            Station {
                id: Some(
                    "APP_GWMN_496",
                ),
                measurement_frequency: None,
                reporting_obligations: [
                    Wrrl,
                ],
            },
        ),
        measured_variables: [
            "Absorptionskoeffizient 254 nm",
            "Absorptionskoeffizient 436 nm",
            "Acenaphthen",
            "Acenaphthylen",
            "Alachlor",
            "Aldicarb",
            "Aluminium",
            "filtriert",
            "Ametryn",
            "Ammonium",
            "Anilin",
            "Anthracen",
            "AOX",
            "Arsen",
            "Atrazin",
            "Azinphos-ethyl",
            "Azinphos-methyl",
            "2",
            "Bentazon",
            "Benzo(a)anthracen",
            "Benzo(a)pyren",
            "Benzo(b)fluoranthen",
            "Benzo(ghi)perylen",
            "Benzo(k)fluoranthen",
            "Benzol",
            "Blei",
            "Bor",
            "Bromacil",
            "Bromdichlormethan",
            "Bromoxynil",
            "Cadmium",
            "Calcium",
            "Carbetamid",
            "Carbofuran",
            "Chlorbenzol",
            "Chlorfenvinphos",
            "Chlorid",
            "Chloridazon",
            "Chloroxuron",
            "Chlorpyrifos-ethyl",
            "Chlorpyrifos-methyl",
            "Chlortoluron",
            "Chrom",
            "Chrysen",
            "2-Dichlorethen",
            "3-Dichlorpropen",
            "Clopyralid",
            "Cumol",
            "Cyanazin",
            "Cypermethrin",
            "Desethylatrazin",
            "Desethylterbuthylazin",
            "Desisopropylatrazin",
            "Desmetryn",
            "Diazinon",
            "h)anthracen",
            "Dibromchlormethan",
            "Dicamba",
            "Dichlobenil",
            "Dichlormethan",
            "Dichlorvos",
            "Diflufenican",
            "Dimefuron",
            "Dimethoat",
            "Disulfoton",
            "Diuron",
            "DOC",
            "Eisen",
            "Ethofumesat",
            "Ethylbenzol",
            "Fenoprop",
            "Fenthion",
            "Fenuron",
            "Fluazifop-p-butyl",
            "Fluoranthen",
            "Fluoren",
            "Fluorid",
            "gamma-HCH (Lindan)",
            "Gesamthärte",
            "Grundwasserspiegel in Ruhe",
            "Hexazinon",
            "3-cd)pyren",
            "Ioxynil",
            "Isoproturon",
            "Kalium",
            "frei",
            "Kupfer",
            "Leitfähigkeit bei 25°C (Labor)",
            "Linuron",
            "Magnesium",
            "Malathion",
            "Mangan",
            "MCPA",
            "MCPB",
            "Mecoprop",
            "Metalaxyl",
            "Metamitron",
            "Metazachlor",
            "Methabenzthiazuron",
            "Metobromuron",
            "Metolachlor",
            "Metoxuron",
            "Metribuzin",
            "Monochlorethen",
            "Monolinuron",
            "Monuron",
            "m-Xylol",
            "Naphthalin",
            "Napropamid",
            "Natrium",
            "Nickel",
            "Nitrat",
            "Nitrit",
            "o-Phosphat",
            "Oxadixyl",
            "o-Xylol",
            "Parathion-ethyl",
            "Parathion-methyl",
            "Pendimethalin",
            "Pentachlorphenol",
            "Phenanthren",
            "gesamt",
            "filtriert",
            "pH-Wert (Labor)",
            "Pirimicarb",
            "Prometryn",
            "Propazin",
            "Propylbenzol",
            "Propyzamid",
            "Prosulfocarb",
            "p-Xylol",
            "Pyren",
            "Quecksilber",
            "Sauerstoff",
            "3",
            "Sebuthylazin",
            "Silikat-Si",
            "Simazin",
            "gesamt",
            "filtriert",
            "Styrol",
            "Sulfat",
            "Terbuthylazin",
            "Terbutryn",
            "Tetrachlorethen",
            "Tetrachlormethan",
            "TIC",
            "Toluol",
            "2-Dichlorethen",
            "3-Dichlorpropen",
            "Tribrommethan",
            "Trichlorethen",
            "Trichlormethan",
            "Trichlorphon",
            "Triclopyr",
            "Trifluralin",
            "Vanadium",
            "Wassertemperatur",
            "Zink",
            "1-Methylnaphthalin",
            "1-Dichlorethan",
            "1-Dichlorethen",
            "1-Trichlorethan",
            "2-Tetrachlorethan",
            "2-Trichlorethan",
            "2-trifluorethan",
            "2-Tetrachlorethan",
            "2-Dichlorbenzol",
            "2-Dichlorethan",
            "2-Dichlorpropan",
            "3-Trichlorbenzol",
            "3-Trimethylbenzol",
            "4-Trichlorbenzol",
            "4-Trimethylbenzol",
            "3-Dichlorbenzol",
            "5-Trichlorbenzol",
            "5-Trimethylbenzol",
            "4-Dichlorbenzol",
            "2-Ethyltoluol",
            "2-Methylnaphthalin",
            "3-Dichlorpropen",
            "4-D",
            "4-DB",
            "4-DP",
            "5-T",
        ],
        methods: [],
    },
)
      
        DataMeasurements(
    DataMeasurements {
        domain: Water(
            Groundwater,
        ),
        station: Some(
            Station {
                id: Some(
                    "APP_GWMN_496",
                ),
                measurement_frequency: None,
                reporting_obligations: [
                    Wrrl,
                ],
            },
        ),
        measured_variables: [
            "Wasserstand",
        ],
        methods: [],
    },
)
      
    Origins: /Land/Schleswig-Holstein/Umweltportal
Tags: Mecoprop ? Anilin ? Kaliumchlorid ? Kaliumsulfat ? Napropamid ? Ammonium ? Bromoform ? Calciumfluorid ? Chlorbenzol ? Chloroform ? Eisenchlorid ? Ethylbenzol ? Magnesiumchlorid ? Manganchlorid ? Methylenchlorid ? Tetrachlorethen ? Propylbenzol ? Quecksilberchlorid ? Styrol ? Tetrachlorkohlenstoff ? Toluol ? Trichlorethylen ? Vinylchlorid ? Zinkchlorid ? Zinknitrat ? Grundwassermessstelle ? Schleswig-Holstein ? Desethylatrazin ? Phosphat ? Messstation ? Nickel ? Nitrit ? Alkylphosphat ? Benzanthracen ? Chrom ? Chrysen ? Vanadium ? Cadmiumchlorid ? Blei ? Calcium ? Kupfer ? Aluminium ? Bromacil ? Cadmiumnitrat ? Fluoren ? Phenanthren ? Acenaphthylen ? DCMU ? Wassertemperatur ? Atrazin ? Sauerstoff ? Simazin ? Naphthalin ? Lindan ? Trifluralin ? Chlorpyrifos ? Benzol ? Isoproturon ? Alachlor ? Bor ? Pentachlorphenol ? Arsen ? Chemie ? AOX-Wert ? Wasserrahmenrichtlinie ? Grundwasser ? Wasser ? Hügellandschaft ? Leitfähigkeit ? Grundwasserkörper ? Grundwasserstand ? Wasserhärte ? Probenahme ? Wasserstand ?
Region: Schleswig-Holstein
Bounding boxes: 9.564529155572592° .. 9.564529155572592° x 54.65409345503185° .. 54.65409345503185°
License: dl-by-de/2.0
Language: Deutsch
Time ranges: 1985-12-12 - 2025-09-02
CSV-Datei der Grundwasserstände
https://umweltanwendungen.schleswig-holstein.de/GrundwasserChemie/ganglinie_download.php?inst_id=10&ortnr=100008976 (CSV)Steckbrief des beprobten Grundwasserkörpers
https://umweltanwendungen.schleswig-holstein.de/db/dbnuis?thema=grundwasserkoerper&wk_nr=EI13 (Webseite)Tabelle der letzten 100 Grundwasserstände
https://umweltanwendungen.schleswig-holstein.de/db/dbnuis?thema=grundwasserstand&ms_nr=10L59038004 (Webseite)Messwerte einzelner Beschaffenheits-Parameter
https://umweltanwendungen.schleswig-holstein.de/db/dbnuis?thema=lgdmsparameter&ms_nr=10L59038004 (Webseite)Übersicht der genommenen Proben
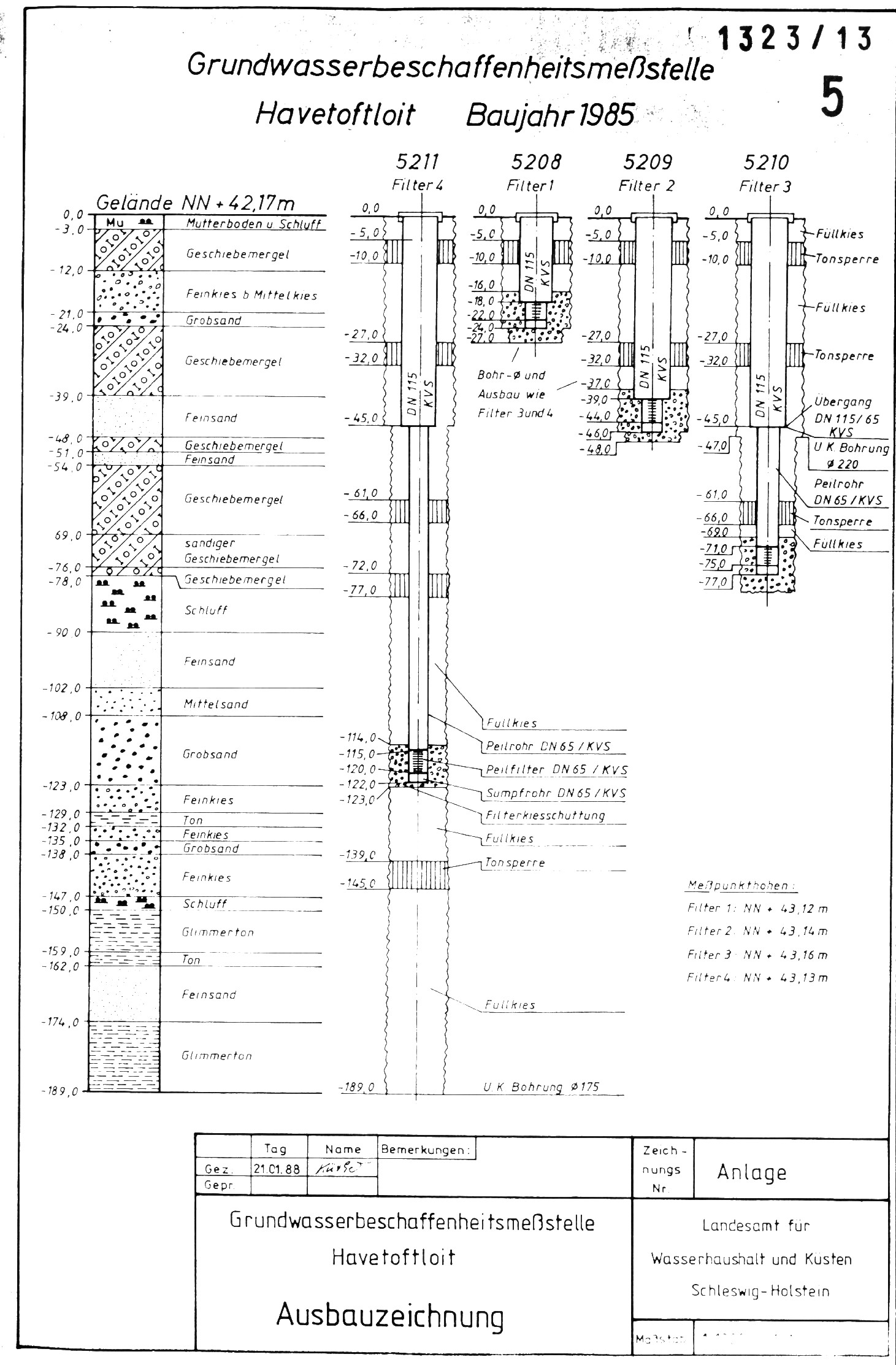
https://umweltanwendungen.schleswig-holstein.de/db/dbnuis?thema=lgdmsproben&ms_nr=10L59038004 (Webseite)Schematische Darstellung der Messstation
https://umweltanwendungen.schleswig-holstein.de/nuis/wafis/gw/AUSBAU/10/AZ5211.JPG (Bild)Bild der Messstation
https://umweltanwendungen.schleswig-holstein.de/nuis/wafis/gw/BILDER/10/GWM5211.JPG (Bild)Ganglinie der Grundwasserstände
https://umweltanwendungen.schleswig-holstein.de/nuis/wafis/gw/ganglinie.php?&inst_id=10&ortnr=100008976 (Webseite)Methodenhandbuch
https://umweltanwendungen.schleswig-holstein.de/nuis/wafis/gw/steckbriefe/Methodenhandb_GW_C4_2.pdf (PDF)Methodenhandbuch
https://umweltanwendungen.schleswig-holstein.de/nuis/wafis/gw/steckbriefe/Methodenhandb_GW_C4_3.pdf (PDF)Methodenhandbuch
https://umweltanwendungen.schleswig-holstein.de/nuis/wafis/gw/steckbriefe/Methodenhandb_GW_D4_2.pdf (PDF)Methodenhandbuch
https://umweltanwendungen.schleswig-holstein.de/nuis/wafis/gw/steckbriefe/Methodenhandb_GW_D4_3.pdf (PDF)Accessed 2 times.