API src

Grundwassermessstelle APP_GWMN_535

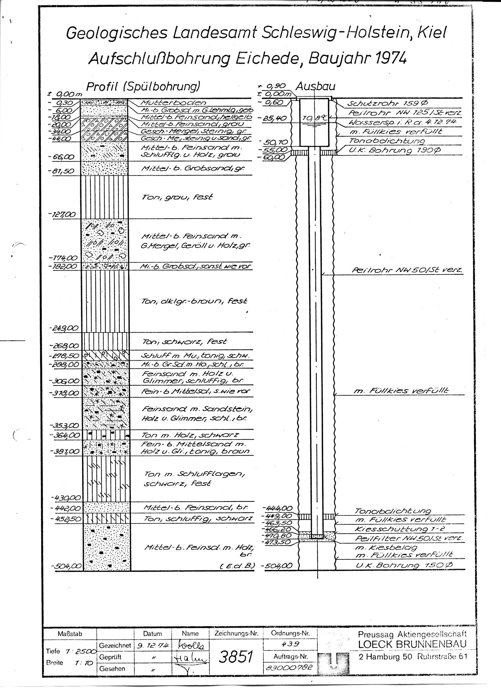
Description: Dieser Datensatz beschreibt die Grundwassermessstelle APP_GWMN_535 in Schleswig-Holstein. Die Messstelle liegt im Grundwasserkörper O9 : Oldesloer Trog. Es liegen insgesamt 31579 Messwerte vor. Es liegen außerdem 7 Probenentnahmen vor (siehe Resourcen).

Types:
DataMeasurements(
    DataMeasurements {
        domain: Chemistry,
        station: Some(
            Station {
                id: Some(
                    "APP_GWMN_535",
                ),
                measurement_frequency: None,
                reporting_obligations: [
                    Wrrl,
                ],
            },
        ),
        measured_variables: [
            "1-Naphthol",
            "1-Trichlorethan",
            "2",
            "2-Chlorphenol",
            "2-Ethylphenol",
            "2-Naphthol",
            "2-Propylphenol",
            "3",
            "3-Chlorphenol",
            "3-cd)pyren",
            "4-Chlor-3-methylphenol",
            "4-Chlorphenol",
            "4-D",
            "4-DB",
            "4-DP",
            "4-Dichlorphenol",
            "4-Ethylphenol",
            "5-T",
            "5-Trichlorphenol",
            "6-Trichlorphenol",
            "AOX",
            "Absorptionskoeffizient 254 nm",
            "Absorptionskoeffizient 436 nm",
            "Alachlor",
            "Aldicarb",
            "Aldrin",
            "Aluminium",
            "Ametryn",
            "Ammonium",
            "Anilin",
            "Arsen",
            "Atrazin",
            "Azinphos-ethyl",
            "Azinphos-methyl",
            "Barium",
            "Bentazon",
            "Benzo(a)pyren",
            "Benzo(b)fluoranthen",
            "Benzo(ghi)perylen",
            "Benzo(k)fluoranthen",
            "Benzol",
            "Blei",
            "Bor",
            "Bromacil",
            "Bromdichlormethan",
            "Bromid",
            "Bromoxynil",
            "Butylacetat",
            "Butylformiat",
            "Cadmium",
            "Calcium",
            "Carbetamid",
            "Chlorfenvinphos",
            "Chlorid",
            "Chloridazon",
            "Chloroxuron",
            "Chlorpyrifos-ethyl",
            "Chlortoluron",
            "Chrom",
            "Cyanazin",
            "Cyanid",
            "DOC",
            "Desethylatrazin",
            "Desethylterbuthylazin",
            "Desisopropylatrazin",
            "Desmetryn",
            "Diazinon",
            "Dibromchlormethan",
            "Dichlormethan",
            "Dichlorvos",
            "Dieldrin",
            "Diflufenican",
            "Dimefuron",
            "Dimethoat",
            "Disulfoton",
            "Diuron",
            "Eisen",
            "Endosulfansulfat",
            "Endrin",
            "Endrinaldehyd",
            "Ethofumesat",
            "Ethylbenzol",
            "Fenoprop",
            "Fenthion",
            "Fenuron",
            "Fluoranthen",
            "Fluorid",
            "Färbung nach Pt-Skala",
            "Gelöster gebund.Kohlenstoff (TOC)",
            "Gesamthärte",
            "Glühverlust",
            "Grundwasserspiegel in Ruhe",
            "Heptachlor",
            "Heptachlorepoxid",
            "Hexazinon",
            "Huminstoffe",
            "Isoproturon",
            "Kalium",
            "Kobalt",
            "Kohlendioxid",
            "Kupfer",
            "Leitfähigkeit bei 25°C (Labor)",
            "Linuron",
            "MCPA",
            "MCPB",
            "Magnesium",
            "Malathion",
            "Mangan",
            "Mecoprop",
            "Metalaxyl",
            "Metamitron",
            "Metazachlor",
            "Methabenzthiazuron",
            "Methan",
            "Metobromuron",
            "Metolachlor",
            "Metoxuron",
            "Metribuzin",
            "Monolinuron",
            "Monuron",
            "Napropamid",
            "Natrium",
            "Nichtkarbonathärte",
            "Nickel",
            "Nitrat",
            "Nitrit",
            "Oxadixyl",
            "Pendimethalin",
            "Pentachlorphenol",
            "Permanganat-Index",
            "Phenol",
            "Pirimicarb",
            "Prometryn",
            "Propazin",
            "Propyzamid",
            "Prosulfocarb",
            "Quecksilber",
            "Sauerstoff",
            "Sebuthylazin",
            "Selen",
            "Silber",
            "Silikat-Si",
            "Simazin",
            "Sulfat",
            "TIC",
            "Terbuthylazin",
            "Terbutryn",
            "Tetrachlorethen",
            "Tetrachlormethan",
            "Toluol",
            "Tribrommethan",
            "Trichlorethen",
            "Trichlormethan",
            "Trichlorphon",
            "Triclopyr",
            "Vanadium",
            "Wassertemperatur",
            "Zink",
            "aggressiv",
            "alpha-Endosulfan",
            "alpha-HCH",
            "beta-Endosulfan",
            "beta-HCH",
            "delta-HCH",
            "filtriert",
            "frei",
            "gamma-HCH (Lindan)",
            "m-Kresol",
            "o-Kresol",
            "o-Phosphat",
            "p'-DDD",
            "p'-DDE",
            "p'-DDT",
            "p-Kresol",
            "pH-Wert (Labor)",
        ],
        methods: [],
    },
)
DataMeasurements(
    DataMeasurements {
        domain: Water(
            Groundwater,
        ),
        station: Some(
            Station {
                id: Some(
                    "APP_GWMN_535",
                ),
                measurement_frequency: None,
                reporting_obligations: [
                    Wrrl,
                ],
            },
        ),
        measured_variables: [
            "Wasserstand",
        ],
        methods: [],
    },
)

Origins: /Land/Schleswig-Holstein/MEKUN /Land/Schleswig-Holstein/Umweltportal

Tags: Mecoprop ? Anilin ? Kaliumchlorid ? Kaliumsulfat ? Napropamid ? Ammonium ? Bromoform ? Calciumfluorid ? Chloroform ? Eisenchlorid ? Eisensulfat ? Ethylbenzol ? Magnesiumchlorid ? Magnesiumsulfat ? Manganchlorid ? Methylenchlorid ? Tetrachlorethen ? Phenol ? Quecksilberchlorid ? Quecksilbersulfat ? Tetrachlorkohlenstoff ? Toluol ? Trichlorethylen ? Zinkchlorid ? Zinknitrat ? Zinksulfat ? Grundwassermessstelle ? Schleswig-Holstein ? Desethylatrazin ? Kupfer ? Aluminium ? Barium ? Silber ? Chrom ? Kobalt ? Cadmiumchlorid ? Vanadium ? Messstation ? Cadmiumnitrat ? Nickel ? Blei ? Calcium ? Alkylphosphat ? Nitrit ? Cadmiumsulfat ? Bromacil ? Heptachlorepoxid ? Phosphat ? Bromid ? Isoproturon ? Sauerstoff ? Selen ? Benzol ? Simazin ? Lindan ? Wassertemperatur ? Dieldrin ? Bor ? Arsen ? Endrin ? Pentachlorphenol ? Chlorpyrifos ? DCMU ? Aldrin ? Alachlor ? Heptachlor ? Atrazin ? Huminstoff ? Methan ? Chemie ? Wasserrahmenrichtlinie ? Kohlendioxid ? Cyanid ? AOX-Wert ? Wasser ? Glühverlust ? Grundwasserkörper ? Leitfähigkeit ? Wasserhärte ? Grundwasserstand ? Grundwasser ? Probenahme ? Wasserstand ?

Region: Schleswig-Holstein

Bounding boxes: 10.396401056161828° .. 10.396401056161828° x 53.72670246163639° .. 53.72670246163639°

License: dl-by-de/2.0

Language: Deutsch

Organisations

Time ranges: 1975-02-24 - 2025-11-10

Resources

Status

Quality score

Accessed 1 times.